
Project Overview
Adaptive AUTOSAR SIL 검증용 가상 신호 생성기 및 Android IVI 앱 개발
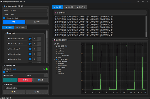
한국자동차연구원(KATECH)의 Service Creator 환경과 연동하여 Adaptive AUTOSAR 기반 어플리케이션의 SIL(Software-in-the-Loop) 검증에 필요한 차량 신호를 생성합니다. TCP/IP 소켓 통신과 멀티스레딩 기술을 활용해 10ms 단위의 고빈도 데이터를 실시간 송수신하며, GUI에서 JSON 스키마를 동적으로 편집해 주행 시나리오를 즉시 시뮬레이션할 수 있습니다. 생성된 신호는 Android IVI 앱으로 수신되어 차량 상태 모니터링 및 운전 패턴 분석 환경을 구성합니다.
적용 분야차량용 SW 검증 시스템
핵심 기술
Android (Kotlin)Jetpack ComposePythonJavaTCP/IP SocketAIDL (IPC)Multi-threadingDockerJSON Schema
프로젝트 성과
- 1
가상 데이터 기반 Android IVI 앱 E2E 검증 환경 구축
- 2
SO_KEEPALIVE 및 멀티스레드 엔진으로 10ms 주기 내 데이터 유실률 0% 달성
- 3
급가속·급감속 등 16종 운전 시나리오 알고리즘 탑재
- 4
160 DPI ~ 480 DPI IVI 디스플레이 대응 가변 레이아웃 구현